General
This series single mode transceiver is SFP module for duplex optical data communications. This module is designed for single mode fiber and operates at a nominal DWDM wavelength from 1528nm to 1566nm as specified by the ITU-T. It is designed to deploy in the DWDM networking equipment in metropolitan access and core networks.
It is with the SFP+ 20-pin connector to allow hot plug capability. The transmitter section uses a DWDM EML laser and is a class 1 las er com pliant according t o International Safety Standard IE C-60825. The receiver section uses a PIN detector and a limiting post-ampli fier IC. This series are designed to be compliant with SFP+ Multi-Source Agreement (MSA) Specification SFF-8431.
Features
● Available in all C-Band Wavelengths on the 100GHz DWDM ITU Grid Cooled EML transmitter with TEC PIN photodiode receiver
● Support up to 1.25Gb/s bit rates
● Compliant with SFP+ Electrical MSA SFF-8431
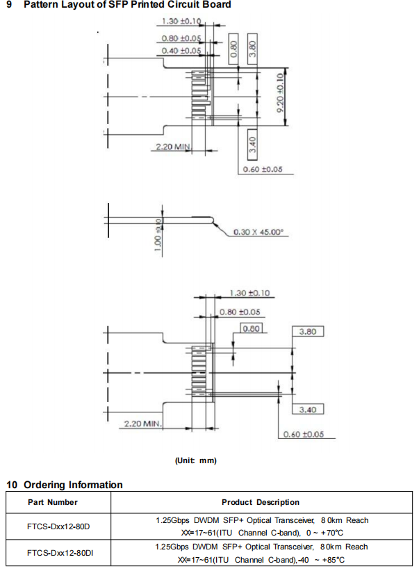
● Compliant with SFP+ Mechanical MSA SFF-8432
● Metal enclosure for lower EMI
● Power dissipation <1.5W
● Laser Class 1 IEC/CDRH compliant
● Links of 8 0 km with 9/125 µm single mode fiber (SMF)
Applications
● 2.5GE ,SDH










