产品特点
● 小尺寸、低插损、低半波电压
● 同侧进出光
● 高可靠
产品简介及应用领域
本产品基于薄膜铌酸锂 IQ 调制器芯片的气密封装实现 IQ 调制功能,3dB 带宽≥40GHz,半波电压≤3.5V。适用于数字通信、微波光子等技术领域。



北亿纤通 | F-tone Networks
企业邮箱: 该邮件地址已受到反垃圾邮件插件保护。要显示它需要在浏览器中启用 JavaScript。
企业手机:19081343601
企业电话:028-85255257
企业传真:028-85977702
注:本产品有全国产化型号可选
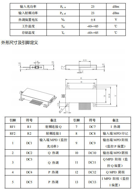
本产品为FT-VI系列,仅展示部分参数,如有需要,请联系我们。
Important Notice
Performance figures, data and any illustrative material provided in this data sheet are typical and must be specifically confirmed in writing by F-tone Networks before they become applicable to any particular order or contract. In accordance with the F-tone Networks policy of continuous improvement specifications may change without notice.
The publication of information in this data sheet does not imply freedom from patent or other protective rights of F-tone Networks or others. Further details are available from any F-tone Networks sales representative.
